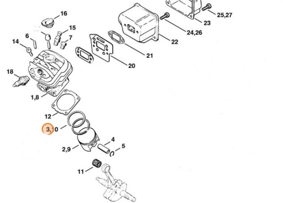
Каталог товарівАкционные товарыБензопилыБензокосыГазонокосилкиЩе категоріїТрактора-косилки Все товары Газонокосилки-роботы iMOW® Все товары Воздуходувки Все товары Садовые пылесосы Все товары Опрыскиватели ранцевые и ручные Все товары Мойки высокого давления Все товары Пылесосы Все товары Садовые мотоножницы, кусторезы Все товары Аккумуляторные секаторы Все товары Садовые измельчители Все товары Культиваторы Все товары Комби-системы Все товары Мульти-системы Все товары Аэраторы Все товары Высоторезы Все товары Бензорезы Все товары Мотобуры Все товары Мотопомпы Все товары Компрессоры Все товары Садовые ручные секаторы и пилы Все товары Топоры и колуны Все товары Ручной инструмент и принадлежности для леса Все товары Защитная одежда, очки и обувь Все товары Канистры Все товары Моторное, цепное и редукторное масло Все товары Шины для бензопил Все товары Цепи для бензопил Все товары Ножи для газонокосилок Все товары Ножи и косильные головки для бензокос Все товары Косильные струны для бензокос Все товары Принадлежности для ухода за цепями и ножами Все товары Моющие средства для моек высокого давления Все товары Принадлежности для аккумуляторных инструментов Все товары Средства для очистки и ухода Все товары Отрезные диски для бензорезов Все товары STIHL-бутик Все товары Запчасти Все товары Товары, снятые с производства Все товары ГлавнаяЗапчастиПоршневые кольцаКольцо поршневое O 44.7x1.2 мм (11210343002)Кольцо поршневое O 44.7x1.2 мм (11210343002)Модель бензопилы StihlMS 260, MS 260-NНаличие: В наявностіАртикул: 11210343002Ціна за запитом270 грн.0 грн.-+ЗарезервуватиИтого:270 грн.Перейти в корзину ХарактеристикиМодель бензопилы StihlMS 260, MS 260-N Ім'я Заголовок Email Якість Коштує своїх грошей Ергономіка Відповідає очікуванням Коментар Переваги Недоліки Відгуки Додавання відгуку × Додавання відгуку × Відгуки поки що відсутні. Стати першим! Рекомендуем посмотреть Ремкомплект карбюратора (Z010001K017)В наявності4106 грн.Трос – привод движения STIHL WB427007515В наявності4635 грн.Клиновый ремень STIHL WB427042105В наявності4660 грн.Возвратная пружина STIHL (Z000013Z000)В наявності424 грн.Возвратная пружина STIHL (Z000013Z001)В наявності424 грн.Повітряна заслінка STIHL Z000043Z010В наявності482 грн.Комплект прокладок и мембран (Z010003K008)В наявності4190 грн.Комплект рычагов привода дроссельной заслонки STIHL Z000042K001В наявності455 грн.Комплект - Карбюраторні деталі STIHL Z010001K028В наявності4870 грн.Дроссельный вал STIHL Z010011A040В наявності4485 грн.Уплотняющее кольцо круглого диаметра STIHL Z000956Z004В наявності482 грн.Регулировочная мембрана STIHL Z010015A005В наявності4325 грн.