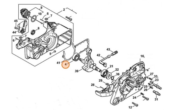
Каталог товарівАкційні товариБензопилиБензокосиГазонокосаркиЩе категоріїТрактори-косарки Усі товари Газонокосарки-роботи iMOW® Усі товари Повітродувки Усі товари Садові пилососи Усі товари Обприскувачі ранцеві та ручні Усі товари Мийки високого тиску Усі товари Пилососи Усі товари Садові мотоножиці, кущорізи Усі товари Секатори акумуляторні Усі товари Садові подрібнювачі Усі товари Культиватори Усі товари Комбі-системи Усі товари Мульти-системи Усі товари Аератори Усі товари Висоторізи Усі товари Бензорізи Усі товари Мотобури Усі товари Мотопомпи Усі товари Компресори Усі товари Садові ручні секатори та пилки Усі товари Сокири та колуни Усі товари Ручний інструмент та приладдя для лісу Усі товари Захисний одяг, окуляри та взуття Усі товари Каністри Усі товари Моторне, ланцюгове та редукторне мастило Усі товари Шини для бензопил Усі товари Ланцюги для бензопил Усі товари Ножі для газонокосарок Усі товари Ножі та косильні головки для бензокіс Усі товари Косильні струни для бензокіс Усі товари Приладдя для догляду за ланцюгами та ножами Усі товари Миючі засоби для мийок високого тиску Усі товари Приладдя для акумуляторних інструментів Усі товари Засоби для чищення та догляду Усі товари Відрізні диски для бензорізів Усі товари STIHL-бутік Усі товари Запчастини Усі товари Інструменти які не поставляються Усі товари ГоловнаЗапчастиниПідшипникиРадіальний шарикопідшипник DIN625-620 STIHL 95030030354Радіальний шарикопідшипник DIN625-620 STIHL 95030030354Модель бензопили StihlMS 362, MS 362 C-M, MS 362 C-M VW, MS 341, MS 361, MS 361 W, MS 362 VWНаявність: Під замовленняАртикул: 95030030354Ціна за запитом360 грн.0 грн.-+ЗарезервуватиВсього:360 грн.Перейти до кошика ХарактеристикиМодель бензопили StihlMS 362, MS 362 C-M, MS 362 C-M VW, MS 341, MS 361, MS 361 W, MS 362 VW Ім'я Заголовок Email Якість Коштує своїх грошей Ергономіка Відповідає очікуванням Коментар Переваги Недоліки Відгуки Додавання відгуку × Додавання відгуку × Відгуки поки що відсутні. Стати першим! Схожі товари Обмежувальний ковпачок STIHL Z010061Z017В наявності4106 грн.Трос - привід руху STIHL WB427007515В наявності4635 грн.Клиновий ремінь STIHL WB427042105В наявності4660 грн.Зворотня пружина STIHL (Z000013Z000)В наявності424 грн.Зворотня пружина STIHL (Z000013Z001)В наявності424 грн.Повітряна заслінка STIHL Z000043Z010В наявності482 грн.Фіксований жиклер STIHL Z000070Z008В наявності4190 грн.Гвинт заслінки STIHL Z000510Z001В наявності455 грн.Комплект - Карбюраторні деталі STIHL Z010001K028В наявності4870 грн.Дросельний вал STIHL Z010011A040В наявності4485 грн.Дросельна заслінка STIHL Z010014Z004В наявності482 грн.Регулювальна мембрана STIHL Z010015A006В наявності4325 грн.